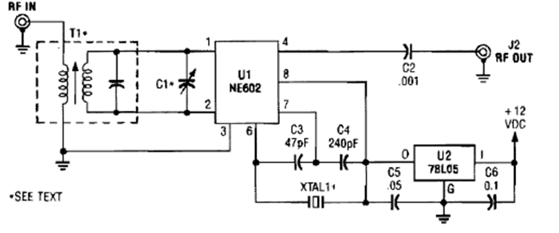
Encontramos este r circuito numa Popular Electronics de la década de 1990. El transformador T1 determina el rango de frecuencia recibido y el cristal de frecuencia en el que se recibirá la señal convertida.
El único material especial requerido para esta experiencia es un imán que puede ser aprovechado de viejos...
Es una experiencia hecha con elementos de fácil obtención y que sirve para mostrar de qué modo una...
Este diseño diferente utiliza una bobina enrollada en un clavo para generar señales en la faja de...