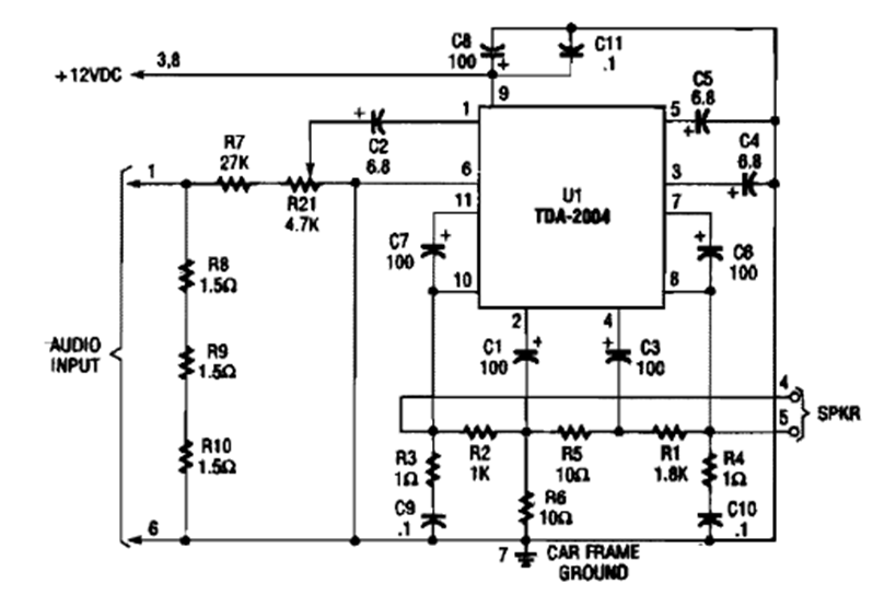
Este amplificador de audio para coche se encontró en un manual de aficionados a la electrónica popular de la década de 1990. El circuito utiliza el TDA2004 para amplificar la salida de radio de los coches de la época.
Este oscilador produce una señal rectangular en el rango de 100 Hz a 1 kHz pero con el cambio del...
Este circuito fue obtenido en una publicación de 1980, pero puede montarse aún hoy con facilidad, pues...
La frecuencia de la señal rectangular producida por este oscilador depende de la cantidad de luz...