Este circuito, presente en una marca de electrónica popular de la década de 1990, monitorea el voltaje de una fuente de alimentación o batería. La tensión de disparo se ajusta con un potenciómetro.
Este oscilador produce una señal rectangular en el rango de 100 Hz a 1 kHz pero con el cambio del...
Este circuito fue obtenido en una publicación de 1980, pero puede montarse aún hoy con facilidad, pues...
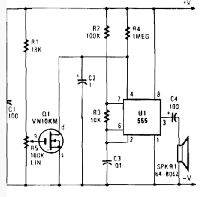
La frecuencia de la señal rectangular producida por este oscilador depende de la cantidad de luz...