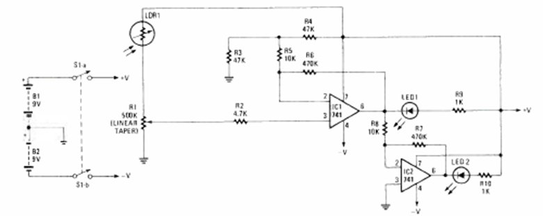
Adecuado para trabajos de fotografía, este circuito es de un Radio Experimenter Special Projects de 1993. El sensor es un LDR y se utilizan dos amplificadores operacionales comunes.
Este oscilador produce una señal rectangular en el rango de 100 Hz a 1 kHz pero con el cambio del...
Este circuito fue obtenido en una publicación de 1980, pero puede montarse aún hoy con facilidad, pues...
La frecuencia de la señal rectangular producida por este oscilador depende de la cantidad de luz...