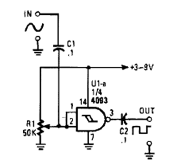
Este circuito, presente en una revista Popular Electronics de los años 90, funciona con una entrada de hasta aproximadamente 5 MHz.

Este circuito, presente en una revista Popular Electronics de los años 90, funciona con una entrada de hasta aproximadamente 5 MHz.
