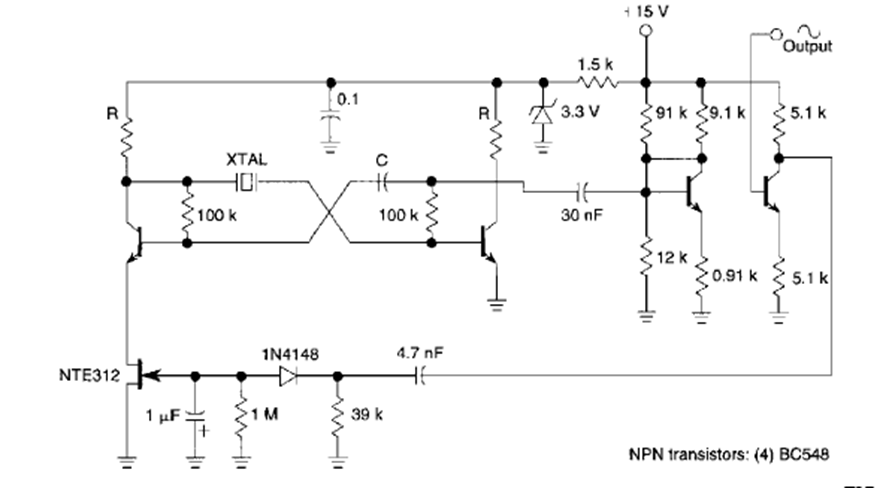
Este circuito oscilador de baja frecuencia se encontró en una Electronic Design de los años 90. Los transistores son comunes y la frecuencia la proporciona el cristal.
Este oscilador produce una señal rectangular en el rango de 100 Hz a 1 kHz pero con el cambio del...
Este circuito fue obtenido en una publicación de 1980, pero puede montarse aún hoy con facilidad, pues...
La frecuencia de la señal rectangular producida por este oscilador depende de la cantidad de luz...