Esta prueba de cinta de casete es de la década de 1990. Fue encontrado en los Radio Electronics Special Projects de 1993. Se muestra la fuente de alimentación simétrica.
Este oscilador produce una señal rectangular en el rango de 100 Hz a 1 kHz pero con el cambio del...
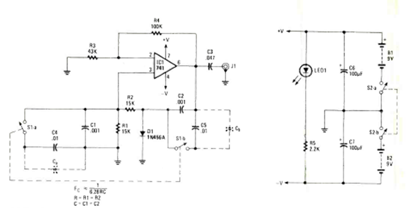
Este circuito fue obtenido en una publicación de 1980, pero puede montarse aún hoy con facilidad, pues...
La frecuencia de la señal rectangular producida por este oscilador depende de la cantidad de luz...