Encontrado en un Popular Electronics de la década de 1990, este circuito utiliza un pequeño transformador adaptado a la impedancia del altavoz que se activa.
Este oscilador produce una señal rectangular en el rango de 100 Hz a 1 kHz pero con el cambio del...
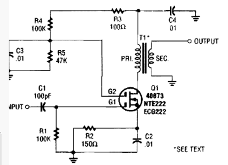
Este circuito fue obtenido en una publicación de 1980, pero puede montarse aún hoy con facilidad, pues...
La frecuencia de la señal rectangular producida por este oscilador depende de la cantidad de luz...