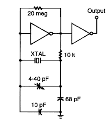
Este circuito se encontró en un Electronics Now de los años 90. La frecuencia depende del cristal. El valor máximo recomendado es de unos 5 MHz.

Este circuito se encontró en un Electronics Now de los años 90. La frecuencia depende del cristal. El valor máximo recomendado es de unos 5 MHz.
