Encontrado en Special Projects de Radio Electronics de 1993, este circuito indicador analógico utiliza un amplificador de transistor. La indicación es para la banda de 27 MHz.
Este oscilador produce una señal rectangular en el rango de 100 Hz a 1 kHz pero con el cambio del...
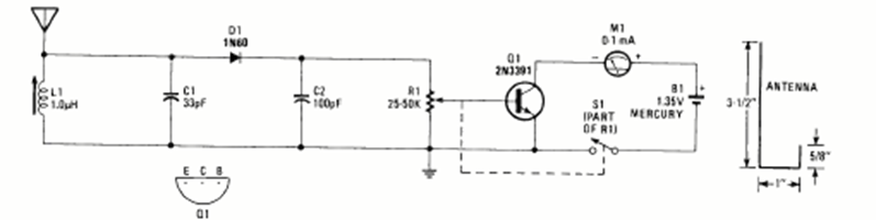
Este circuito fue obtenido en una publicación de 1980, pero puede montarse aún hoy con facilidad, pues...
La frecuencia de la señal rectangular producida por este oscilador depende de la cantidad de luz...