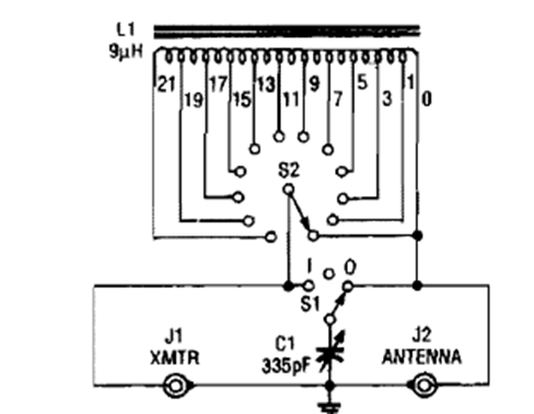
Este sintonizador de antena se encontró en una publicación de 1995 del Electronics Hobbyst Handbookde 1993. La bobina depende de las bandas de frecuencia a sintonizar, normalmente de 3 a 30 MHz.

Este sintonizador de antena se encontró en una publicación de 1995 del Electronics Hobbyst Handbookde 1993. La bobina depende de las bandas de frecuencia a sintonizar, normalmente de 3 a 30 MHz.
