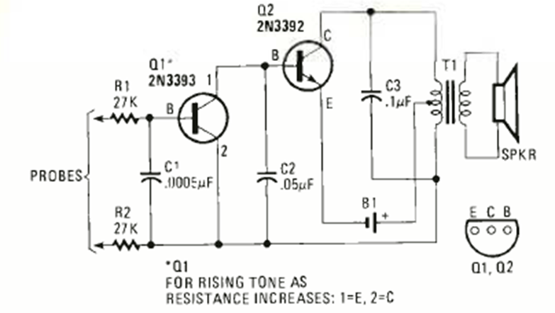
Esta sencilla prueba de continuidad consta de un oscilador que se encuentra en la revista Electronics Experimenter Special Projects de 1983. El circuito está alimentado por una sola batería.
Este oscilador produce una señal rectangular en el rango de 100 Hz a 1 kHz pero con el cambio del...
Este circuito fue obtenido en una publicación de 1980, pero puede montarse aún hoy con facilidad, pues...
La frecuencia de la señal rectangular producida por este oscilador depende de la cantidad de luz...