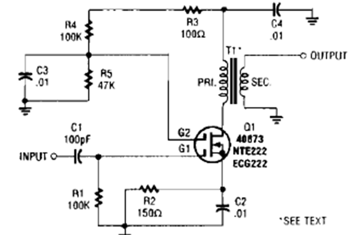
Este amplificador boost se encontró en una revista Popular Electronics de los años 90. El circuito opera hasta 20 MHz, dependiendo de las bobinas utilizadas.
Este oscilador produce una señal rectangular en el rango de 100 Hz a 1 kHz pero con el cambio del...
Este circuito fue obtenido en una publicación de 1980, pero puede montarse aún hoy con facilidad, pues...
La frecuencia de la señal rectangular producida por este oscilador depende de la cantidad de luz...