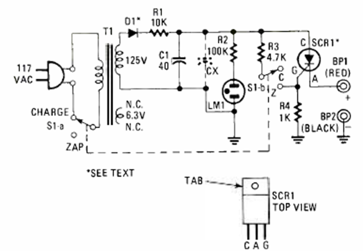
Este cargador de batería se encontró en la Electronics Experimenter Special Projects de 1983. El circuito utiliza un SCR como elemento de control.
Este oscilador produce una señal rectangular en el rango de 100 Hz a 1 kHz pero con el cambio del...
Este circuito fue obtenido en una publicación de 1980, pero puede montarse aún hoy con facilidad, pues...
La frecuencia de la señal rectangular producida por este oscilador depende de la cantidad de luz...