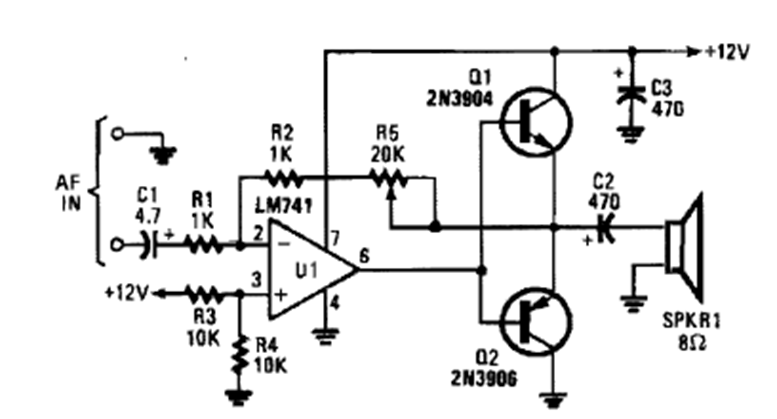
Encontrado en un Popular Electronics de la década de 1990, este circuito utiliza dos transistores para amplificar la potencia de un 741 con señales de audio. La potencia depende de los transistores utilizados, que pueden ser de uso general.
Este oscilador produce una señal rectangular en el rango de 100 Hz a 1 kHz pero con el cambio del...
Este circuito fue obtenido en una publicación de 1980, pero puede montarse aún hoy con facilidad, pues...
La frecuencia de la señal rectangular producida por este oscilador depende de la cantidad de luz...