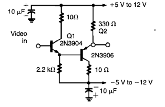
Este circuito se encontró en un William Sheets. Tiene una impedancia de salida de 75 ohms y puede operar hasta 20 MHz con los componentes utilizados.

Este circuito se encontró en un William Sheets. Tiene una impedancia de salida de 75 ohms y puede operar hasta 20 MHz con los componentes utilizados.
