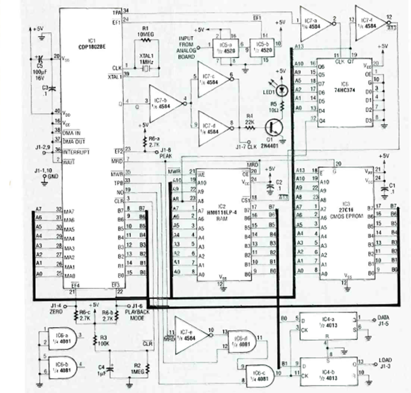
Sirve como referencia, ya que ahora podemos tener soluciones más sencillas y compactas. Este circuito es de un Radio Electronics Experimenterde 1992. Los circuitos integrados son de esa época.
Este oscilador produce una señal rectangular en el rango de 100 Hz a 1 kHz pero con el cambio del...
Este circuito fue obtenido en una publicación de 1980, pero puede montarse aún hoy con facilidad, pues...
La frecuencia de la señal rectangular producida por este oscilador depende de la cantidad de luz...