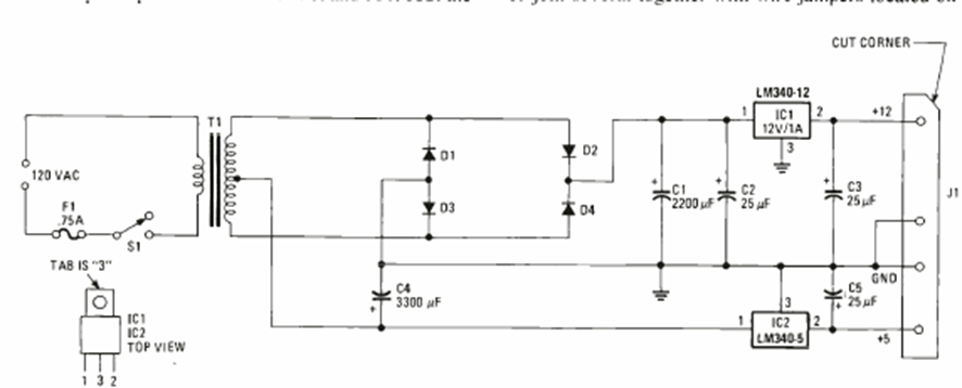
Esta fuente de alimentación para quienes quieran alimentar y recuperar disquetes de 5 ¼ fue encontrada en la edición especial de la revista Electronics Experimenter del año 1983.
Este oscilador produce una señal rectangular en el rango de 100 Hz a 1 kHz pero con el cambio del...
Este circuito fue obtenido en una publicación de 1980, pero puede montarse aún hoy con facilidad, pues...
La frecuencia de la señal rectangular producida por este oscilador depende de la cantidad de luz...