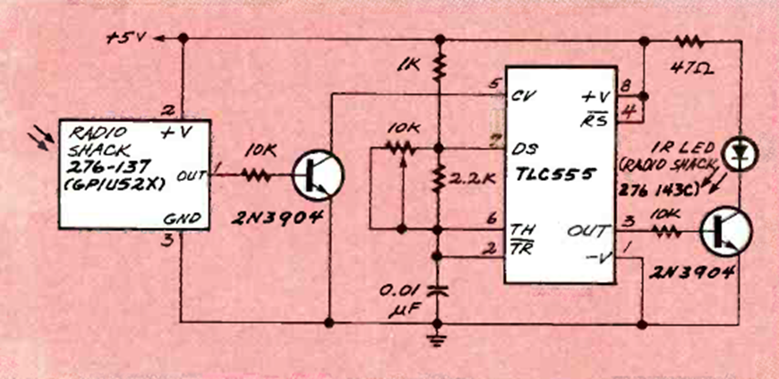
Basado en el 276-137 de Radio Shack, este circuito fue encontrado en la edición de diciembre de 1995 de la revista Electronics Now. El circuito controla un LED, pero podría tener un relé en su lugar.
Este oscilador produce una señal rectangular en el rango de 100 Hz a 1 kHz pero con el cambio del...
Este circuito fue obtenido en una publicación de 1980, pero puede montarse aún hoy con facilidad, pues...
La frecuencia de la señal rectangular producida por este oscilador depende de la cantidad de luz...