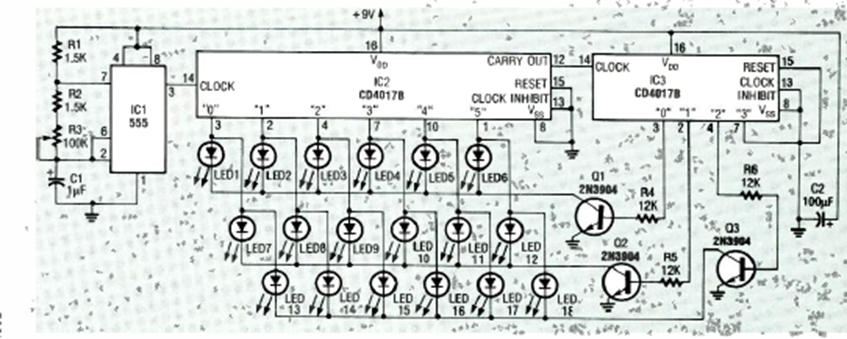
Este interesante circuito de 18 LED multiplexados fue encontrado en la revista Radio Electronics de febrero de 1992. El circuito tiene su velocidad controlada por R3. Los LED forman barras móviles de 6 LED.
Este oscilador produce una señal rectangular en el rango de 100 Hz a 1 kHz pero con el cambio del...
Este circuito fue obtenido en una publicación de 1980, pero puede montarse aún hoy con facilidad, pues...
La frecuencia de la señal rectangular producida por este oscilador depende de la cantidad de luz...