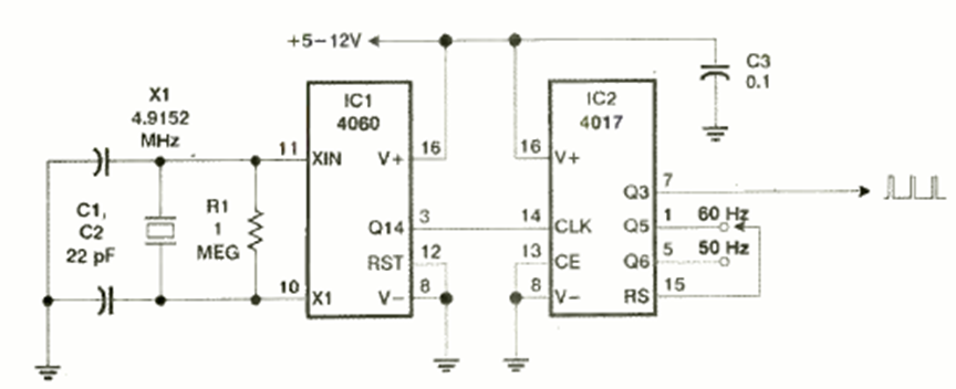
Este circuito basado en cristales puede generar señales precisas de 50 o 60 Hz. El circuito es de una revista Electronics Now de noviembre de 1998. La señal de salida consta de pulsos rectangulares.
Este oscilador produce una señal rectangular en el rango de 100 Hz a 1 kHz pero con el cambio del...
Este circuito fue obtenido en una publicación de 1980, pero puede montarse aún hoy con facilidad, pues...
La frecuencia de la señal rectangular producida por este oscilador depende de la cantidad de luz...