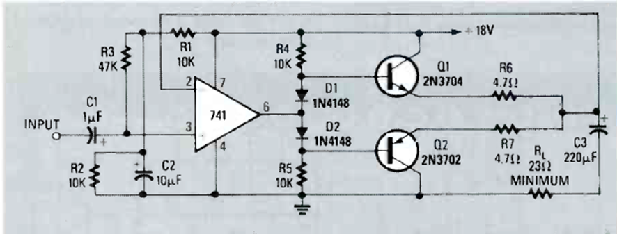
Este circuito es la versión de fuente única del circuito anterior. Los transistores son de propósito general. Lo encontramos en la revista Radio Electronics de marzo de 1990.
Este oscilador produce una señal rectangular en el rango de 100 Hz a 1 kHz pero con el cambio del...
Este circuito fue obtenido en una publicación de 1980, pero puede montarse aún hoy con facilidad, pues...
La frecuencia de la señal rectangular producida por este oscilador depende de la cantidad de luz...