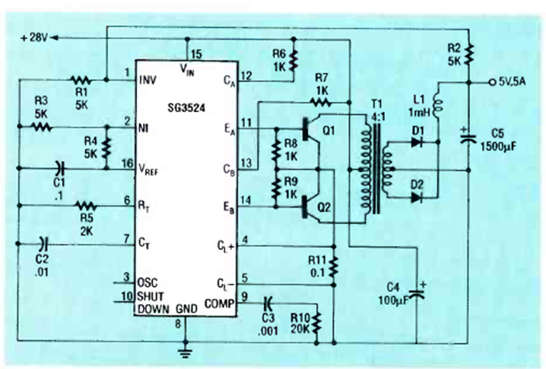
Este circuito utiliza el SQ3524, un circuito integrado de conmutación. El circuito fue encontrado en la edición de abril de 1991 de la revista Radio Electronics.
Este oscilador produce una señal rectangular en el rango de 100 Hz a 1 kHz pero con el cambio del...
Este circuito fue obtenido en una publicación de 1980, pero puede montarse aún hoy con facilidad, pues...
La frecuencia de la señal rectangular producida por este oscilador depende de la cantidad de luz...