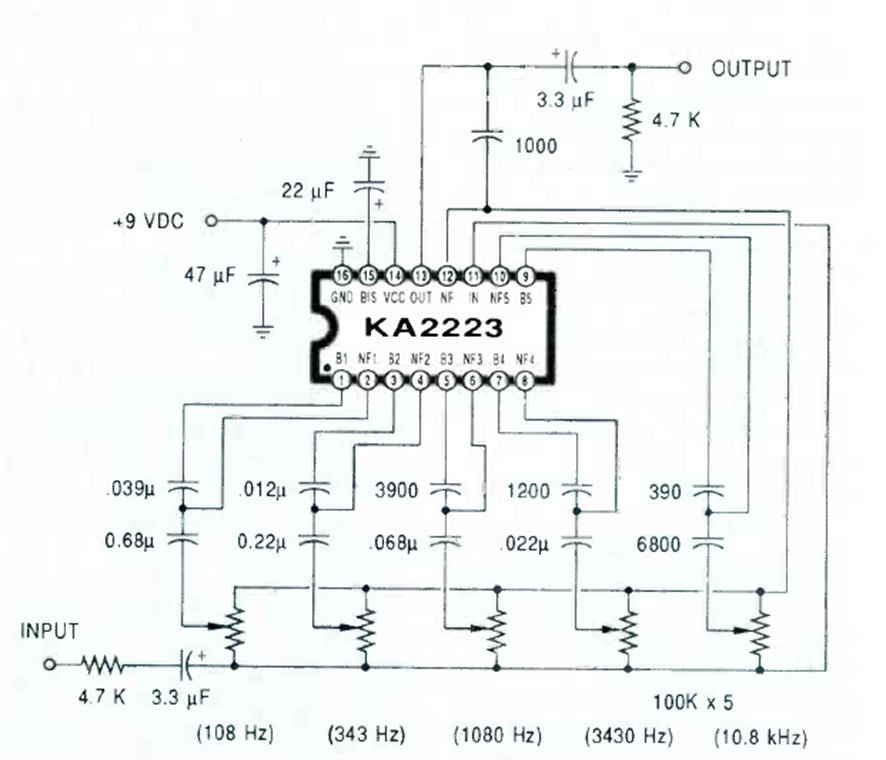
Este circuito fue encontrado en una Radio Electrónica de abril de 1990. El circuito tiene 5 bandas de ecualización dadas por los capacitores utilizados.
Este oscilador produce una señal rectangular en el rango de 100 Hz a 1 kHz pero con el cambio del...
Este circuito fue obtenido en una publicación de 1980, pero puede montarse aún hoy con facilidad, pues...
La frecuencia de la señal rectangular producida por este oscilador depende de la cantidad de luz...