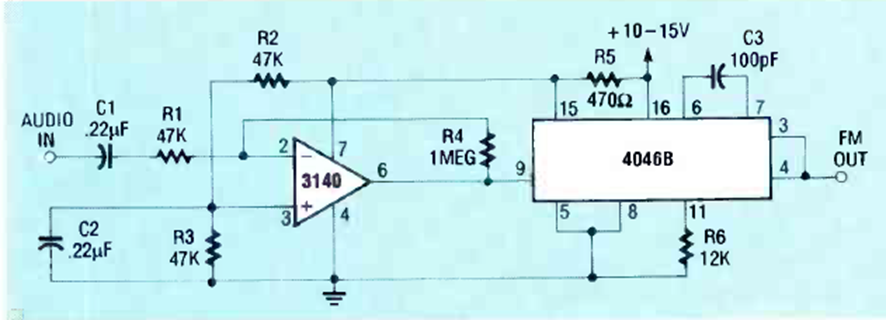
Utilizando un PLL 4046 encontramos este circuito en la edición de diciembre de 1989 de la revista Radio Electronics. El circuito opera a 220 kHz, pero esta frecuencia se puede cambiar modificando C3.
Este oscilador produce una señal rectangular en el rango de 100 Hz a 1 kHz pero con el cambio del...
Este circuito fue obtenido en una publicación de 1980, pero puede montarse aún hoy con facilidad, pues...
La frecuencia de la señal rectangular producida por este oscilador depende de la cantidad de luz...