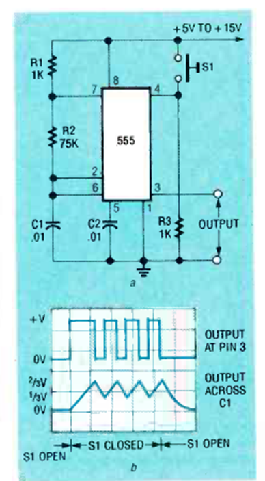
Encontramos este circuito en la revista Radio Electronics de octubre de 1992. La frecuencia viene dada por C1, cuyo valor puede modificarse. Observe las formas de onda de la señal generada.

Encontramos este circuito en la revista Radio Electronics de octubre de 1992. La frecuencia viene dada por C1, cuyo valor puede modificarse. Observe las formas de onda de la señal generada.
