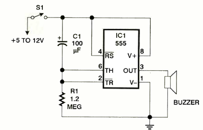
Esta es la configuración básica para accionar un zumbador de cerámica con el 555 que sonará en un intervalo de 2 minutos. Lo encontramos en la revista Electronics Now de noviembre de 1997. El zumbador es de tipo oscilador.
Este oscilador produce una señal rectangular en el rango de 100 Hz a 1 kHz pero con el cambio del...
Este circuito fue obtenido en una publicación de 1980, pero puede montarse aún hoy con facilidad, pues...
La frecuencia de la señal rectangular producida por este oscilador depende de la cantidad de luz...