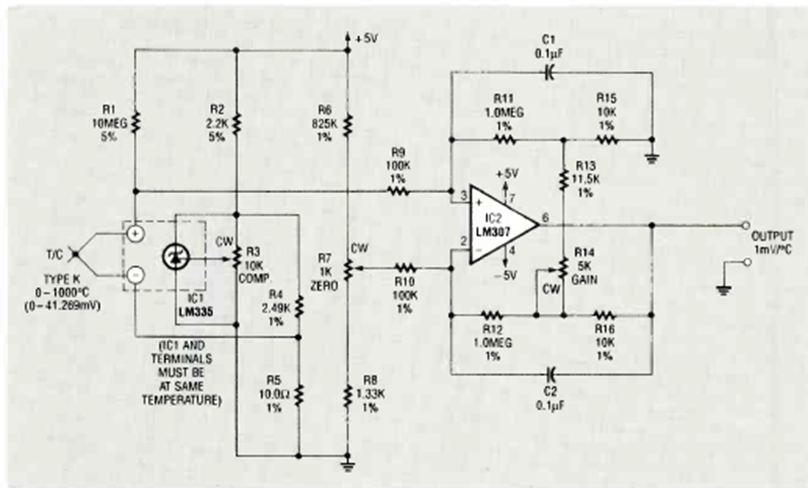
Encontramos este circuito en la revista Radio Electronics de abril de 1992. El circuito utiliza un sistema operativo que requiere una fuente de alimentación simétrica.
Este oscilador produce una señal rectangular en el rango de 100 Hz a 1 kHz pero con el cambio del...
Este circuito fue obtenido en una publicación de 1980, pero puede montarse aún hoy con facilidad, pues...
La frecuencia de la señal rectangular producida por este oscilador depende de la cantidad de luz...