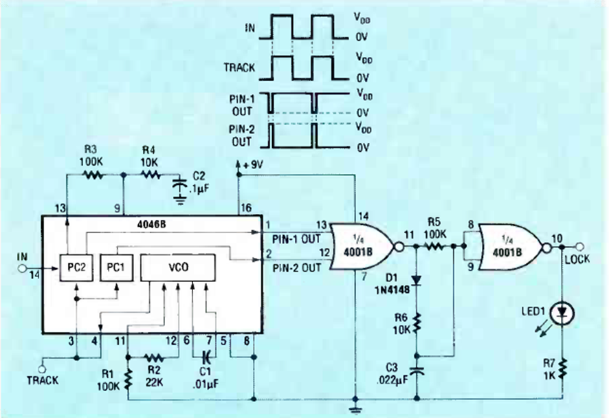
Utilizando un PLL 4046 este circuito reconoce un tono de 1,6 a 1,8 kHz, activando un LED de salida. El circuito es de una Radio Electronics de diciembre de 1989.
Este oscilador produce una señal rectangular en el rango de 100 Hz a 1 kHz pero con el cambio del...
Este circuito fue obtenido en una publicación de 1980, pero puede montarse aún hoy con facilidad, pues...
La frecuencia de la señal rectangular producida por este oscilador depende de la cantidad de luz...