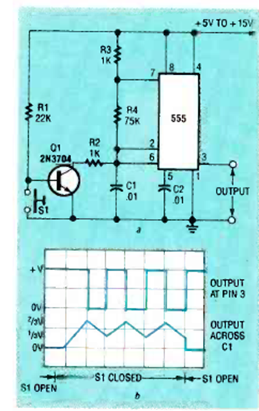
Encontrado en la revista Radio Electronics de octubre de 1992, este oscilador está controlado por el interruptor S1. La frecuencia depende de C1 y se puede cambiar.

Encontrado en la revista Radio Electronics de octubre de 1992, este oscilador está controlado por el interruptor S1. La frecuencia depende de C1 y se puede cambiar.
