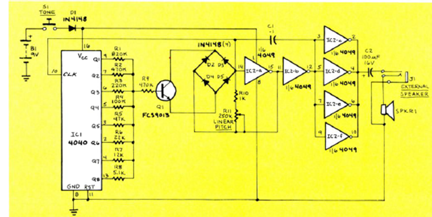
Encontrado en la revista Radio Electronics de junio de 1987, este circuito utiliza componentes CMOS bien conocidos. El circuito tiene una etapa amplificadora CMOS que activa un pequeño altavoz.
El circuito mostrado en la figura 1 es ideal para obtener una tensión regulada de 13,6 V para...
Este generador de audio que produce señales tanto rectangulares como senoidales fue encontrado en una...
Al conectar este circuito en paralelo con el altavoz de un sistema de sonido, el LED parpadeará al ritmo...