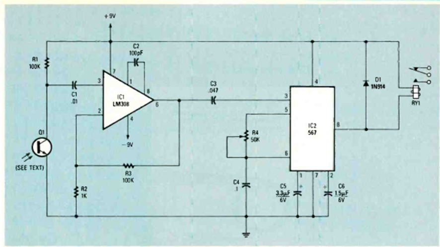
Este es el circuito receptor del control remoto anterior publicado en la misma revista Radio Electronics de noviembre de 1987. El sensor es un fototransistor ordinario.
Este circuito se puede ajustar para disparar y producir un sonido cuando la luz en el LDR se corta...
Este oscilador Hartley experimental produce señales en el rango de 500 kHz a 1,5 MHz, sirviendo para...
Describimos un simple temporizador o temporizador que puede encender o apagar un aparato eléctrico o...