Este circuito es un multiplicador de cuatro cuadrantes que utiliza un LM3900. El circuito fue encontrado en la edición de julio de 1988 de la revista Radio Electronics.
Este oscilador produce una señal rectangular en el rango de 100 Hz a 1 kHz pero con el cambio del...
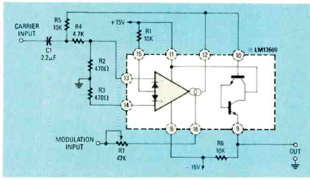
Este circuito fue obtenido en una publicación de 1980, pero puede montarse aún hoy con facilidad, pues...
La frecuencia de la señal rectangular producida por este oscilador depende de la cantidad de luz...