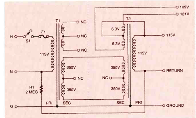
En la figura tenemos un excelente sistema de transformador de aislamiento para el banco. Este circuito fue sugerido por Electronics Now en diciembre de 1997.
El circuito mostrado en la figura 1 es ideal para obtener una tensión regulada de 13,6 V para...
Este generador de audio que produce señales tanto rectangulares como senoidales fue encontrado en una...
Al conectar este circuito en paralelo con el altavoz de un sistema de sonido, el LED parpadeará al ritmo...