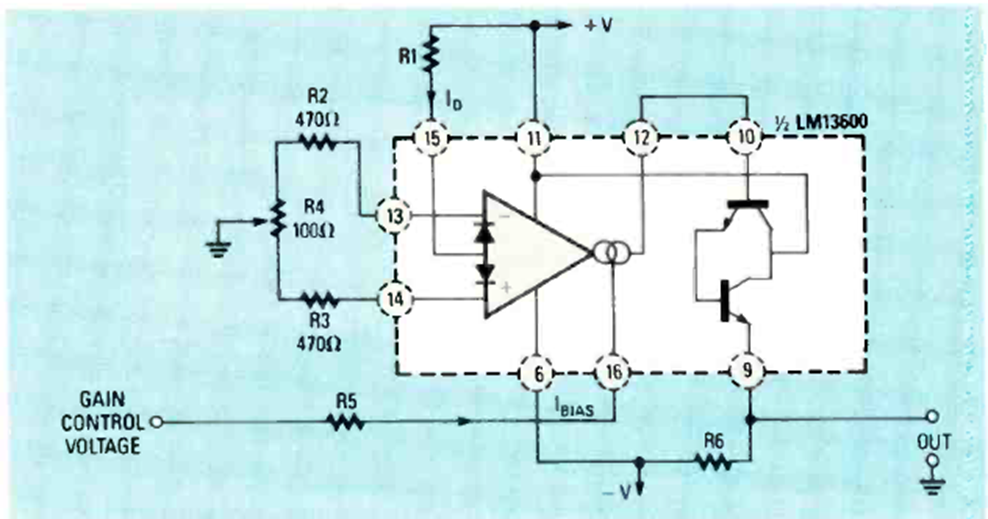
En la figura tenemos una forma de aplicar un control de ganancia en el OTA LM3600. El circuito es de una Radio Electronics de julio de 1988.
Este oscilador produce una señal rectangular en el rango de 100 Hz a 1 kHz pero con el cambio del...
Este circuito fue obtenido en una publicación de 1980, pero puede montarse aún hoy con facilidad, pues...
La frecuencia de la señal rectangular producida por este oscilador depende de la cantidad de luz...