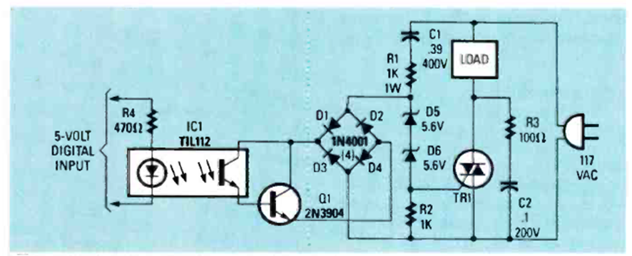
Este circuito es un excelente protector para microcontroladores y se encontró en la revista Radio Electronics de octubre de 1987. Se puede utilizar con otras tensiones, ya que el triac y el optoaislador admiten versiones más modernas.
Este circuito se puede ajustar para disparar y producir un sonido cuando la luz en el LDR se corta...
Este oscilador Hartley experimental produce señales en el rango de 500 kHz a 1,5 MHz, sirviendo para...
Describimos un simple temporizador o temporizador que puede encender o apagar un aparato eléctrico o...