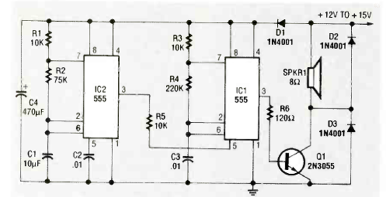
Este circuito aparece en varias versiones en publicaciones de la época y se puede modificar cambiando los condensadores. Esto es de la edición de octubre de 1992 de la revista Radio Electronics.
Cuando alguien que ingresa a una ubicación abre uno de los sensores conectados a la puerta SOR, el...
¿Qué tal montar un intercomunicador secreto para conversar con su hermano, vecino o compañero sin que...
Este circuito detecta cuando la temperatura de un congelador, mostrador frigorífico o incluso un...