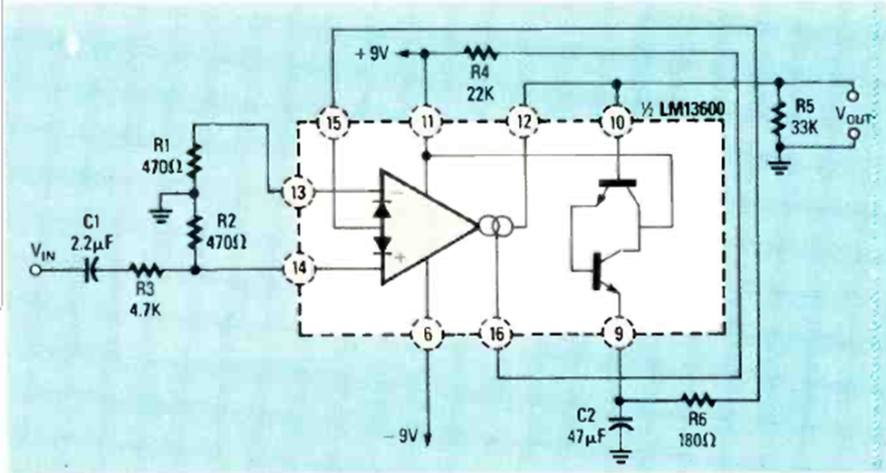
Este circuito de control automático de ganancia se encontró en la edición de julio de 1988 de la revista Radio Electronics. El circuito se basa en un amplificador operacional de transconductancia.
Este circuito se puede ajustar para disparar y producir un sonido cuando la luz en el LDR se corta...
Este oscilador Hartley experimental produce señales en el rango de 500 kHz a 1,5 MHz, sirviendo para...
Describimos un simple temporizador o temporizador que puede encender o apagar un aparato eléctrico o...