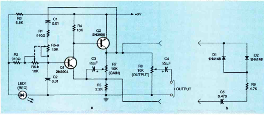
Este oscilador genera señales sinusoidales de 1,5 a 15 kHz y utiliza transistores complementarios comunes. El circuito fue encontrado en la edición de diciembre de 1995 de la revista Electronics Now.
Este circuito genera señales en el rango de 5 a 15 MHz. Lo encontramos en una documentación en...
El 4049 6 4050 pueden ser usados para hacer la excitación de un circuito TTL, a partir de una...
Este circuito de disparo único se ha indicado para aplicaciones de fotografía. El circuito es de una...