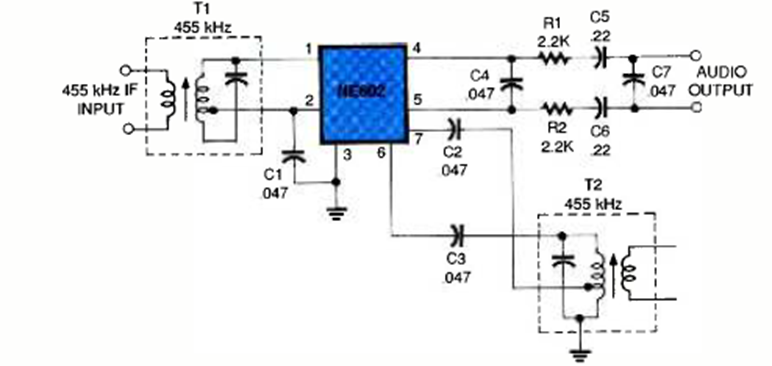
Este circuito con el NE602 fue encontrado en la edición de febrero de 1997 de la revista Electronics Now. El circuito integrado NE602 no es muy común hoy en día.
Este circuito se puede ajustar para disparar y producir un sonido cuando la luz en el LDR se corta...
Este oscilador Hartley experimental produce señales en el rango de 500 kHz a 1,5 MHz, sirviendo para...
Describimos un simple temporizador o temporizador que puede encender o apagar un aparato eléctrico o...