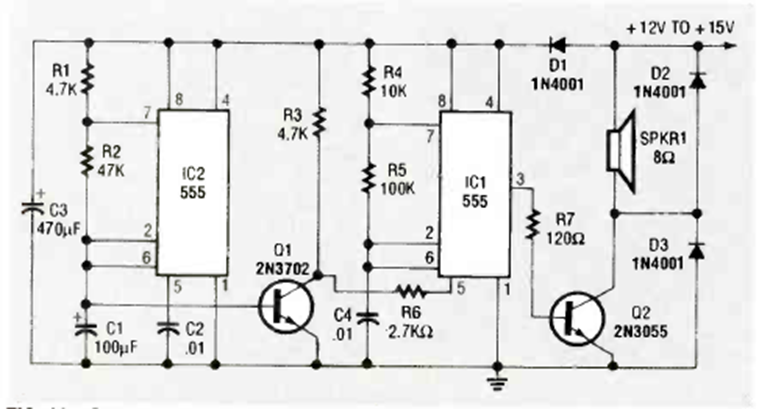
Esta es una de las muchas configuraciones de sirena posibles para el circuito integrado 555. La encontramos en la revista Radio Electronics de octubre de 1992. Tiene una etapa de potencia.
Este circuito se puede ajustar para disparar y producir un sonido cuando la luz en el LDR se corta...
Este oscilador Hartley experimental produce señales en el rango de 500 kHz a 1,5 MHz, sirviendo para...
Describimos un simple temporizador o temporizador que puede encender o apagar un aparato eléctrico o...