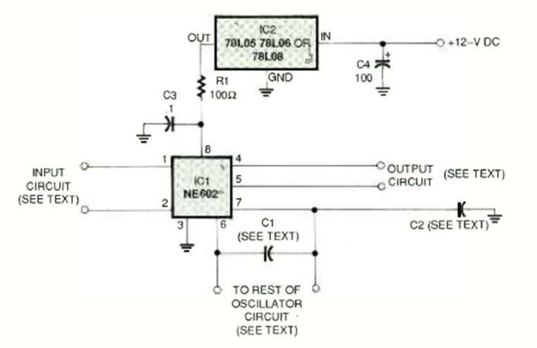
Este circuito fue encontrado en la revista Electronics Now de febrero de 1997. El circuito tiene una fuente de alimentación para el NE602 y entradas y salidas libres para proyectos.
Este circuito se puede ajustar para disparar y producir un sonido cuando la luz en el LDR se corta...
Este oscilador Hartley experimental produce señales en el rango de 500 kHz a 1,5 MHz, sirviendo para...
Describimos un simple temporizador o temporizador que puede encender o apagar un aparato eléctrico o...