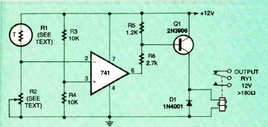
El circuito es de Electronics Now de junio de 1995. El relé depende de la potencia y tanto R1 como R2 deben tener resistencias similares en funcionamiento.
Este circuito se puede ajustar para disparar y producir un sonido cuando la luz en el LDR se corta...
Este oscilador Hartley experimental produce señales en el rango de 500 kHz a 1,5 MHz, sirviendo para...
Describimos un simple temporizador o temporizador que puede encender o apagar un aparato eléctrico o...