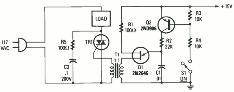
Este circuito triac se encontró en la revista Radio Electronics de octubre de 1987. El triac depende de la carga y debe montarse en un disipador de calor.
Cuando alguien que ingresa a una ubicación abre uno de los sensores conectados a la puerta SOR, el...
¿Qué tal montar un intercomunicador secreto para conversar con su hermano, vecino o compañero sin que...
Este circuito detecta cuando la temperatura de un congelador, mostrador frigorífico o incluso un...