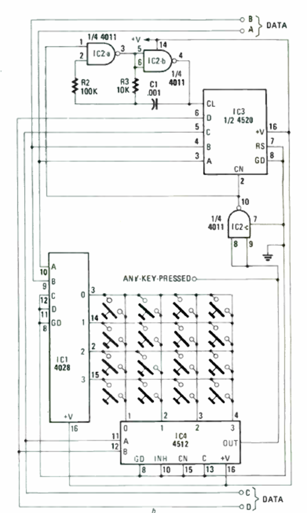
Este circuito utiliza componentes CMOS comunes. Lo encontramos en la revista Radio Electronics de julio de 1987. El circuito decodifica el accionamiento de 16 interruptores de pressión.

Este circuito utiliza componentes CMOS comunes. Lo encontramos en la revista Radio Electronics de julio de 1987. El circuito decodifica el accionamiento de 16 interruptores de pressión.
