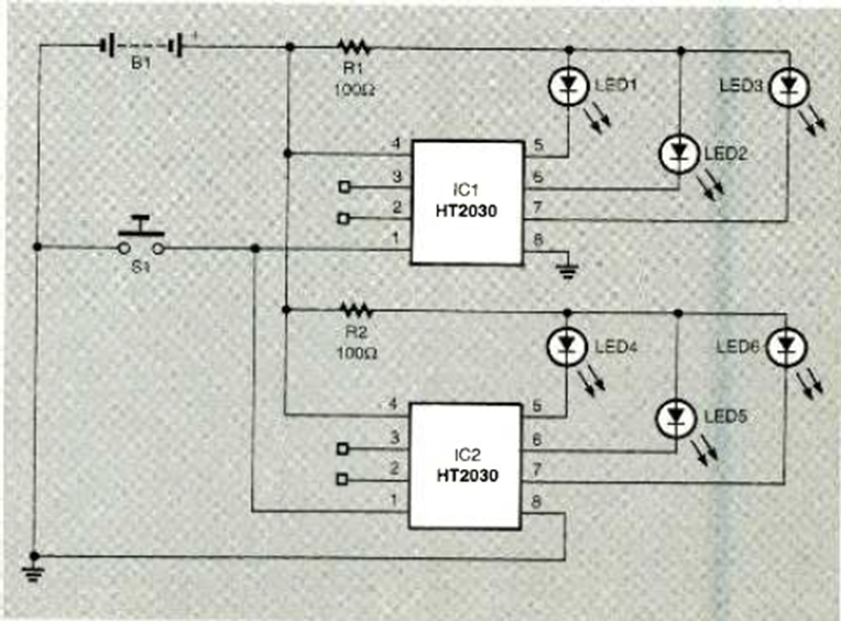
Este circuito con dos HT2030 alimenta 6 LED en un sistema intermitente decorativo. El circuito es de la revista Electronics Now de diciembre de 1997. Los LED se alimentan en secuencia.
Este circuito se puede ajustar para disparar y producir un sonido cuando la luz en el LDR se corta...
Este oscilador Hartley experimental produce señales en el rango de 500 kHz a 1,5 MHz, sirviendo para...
Describimos un simple temporizador o temporizador que puede encender o apagar un aparato eléctrico o...