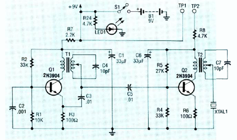
Este circuito se encontró en una revista Radio Electronics de noviembre de 1991. El circuito funciona a 2,2 MHz y tiene una salida de baja impedancia.
Este circuito se puede ajustar para disparar y producir un sonido cuando la luz en el LDR se corta...
Este oscilador Hartley experimental produce señales en el rango de 500 kHz a 1,5 MHz, sirviendo para...
Describimos un simple temporizador o temporizador que puede encender o apagar un aparato eléctrico o...