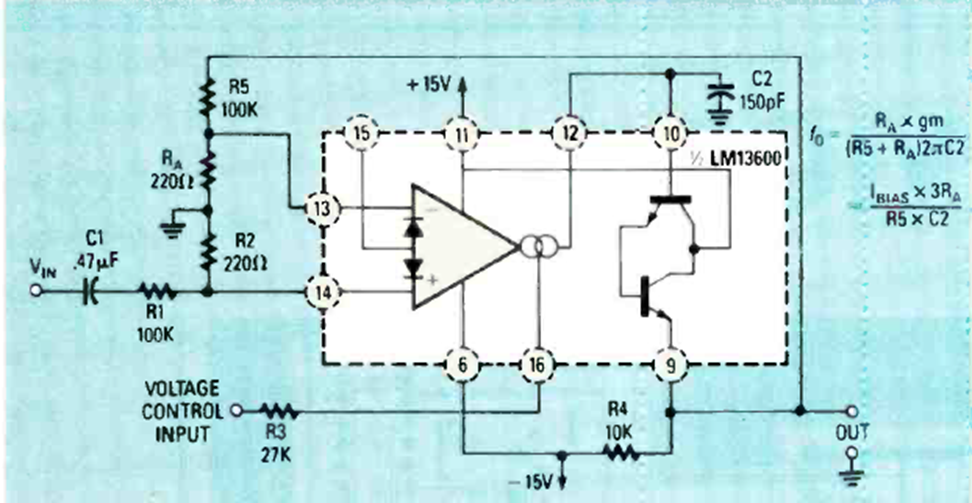
Este circuito, basado en un LM36000 OTA, se encontró en la edición de julio de 1988 de la revista Radio Electronics. Cubre frecuencias en el rango de 45 Hz a 45 kHz.
Cuando alguien que ingresa a una ubicación abre uno de los sensores conectados a la puerta SOR, el...
¿Qué tal montar un intercomunicador secreto para conversar con su hermano, vecino o compañero sin que...
Este circuito detecta cuando la temperatura de un congelador, mostrador frigorífico o incluso un...