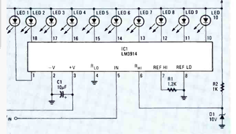
En la figura tenemos la forma de utilizar el Bargraph LM3914 con una fuente de voltaje de referencia externa. La referencia no puede ser mayor que la tensión de alimentación.
Este circuito se puede ajustar para disparar y producir un sonido cuando la luz en el LDR se corta...
Este oscilador Hartley experimental produce señales en el rango de 500 kHz a 1,5 MHz, sirviendo para...
Describimos un simple temporizador o temporizador que puede encender o apagar un aparato eléctrico o...