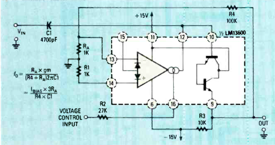
Este circuito, basado en un amplificador operacional OTA LM3600, fue encontrado en la revista Radio Electronics de julio de 1988. El rango es de 6 Hz a 6 kHz y puede modificarse.
Este circuito se puede ajustar para disparar y producir un sonido cuando la luz en el LDR se corta...
Este oscilador Hartley experimental produce señales en el rango de 500 kHz a 1,5 MHz, sirviendo para...
Describimos un simple temporizador o temporizador que puede encender o apagar un aparato eléctrico o...